Cambiar idioma :
Los sistemas de tuerca y husillo dryspin® se basan en el principio de la tecnología lineal sin lubricación ni mantenimiento. Las especificaciones y geometrías de nuestros sistemas de tuerca y husillo de polímero garantizan un rendimiento de hasta el 82% y una vida útil hasta un 30 % superior a la de los sistemas de husillo convencionales.
Reduzca el tiempo necesario para su diseño y optimice el proceso de adquisición de su tecnología de husillos de rosca trapezoidal, helicoidal y métrica disponibles en stock en más de 5.000 variantes. Además, puede configurar su solución a medida fácilmente online.

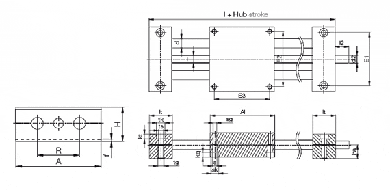
Muestra de tuerca y husillo con información adicional
En persona:
De lunes a viernes de 8:00 a 18:00h
Online:
24h