Por favor seleccione el país de entrega adecuado

Algunos factores como el precio de los productos, su disponibilidad u otros servicios pueden verse afectados por la selección del país de entrega.
My contact person
Vendortec Chile

Avda. Los Pajaritos 3195, Oficina 1410

Edificio Centro Maipú

Maipú – Santiago

+56 - 22 710 58 25
CL(ES)

Cadena portacables para oficinas OCO - Estudio de diseño

Fácil de llenar con el diseño «easy»

La cadena portacables OCO.20 es un sistema de suministro de energía simple para oficinas. No tiene radio definido y puede moverse en dos direcciones. También se puede extender o acortar muy fácilmente. Los terminales de montaje son muy similares a los eslabones y difieren en los imanes incorporados con los que OCO se puede conectar fácilmente a un escritorio de metal. También es posible una conexión atornillada para el montaje del escritorio con los dos pequeños agujeros que incorpora.
Envíe su consulta ahora

Mejora tecnológica

Mejora tecnológica

  • Diseño optimizado
  • Llenado flexible
  • Fácil de acortar y alargar
  • Terminales de montaje con imanes para una
    sujeción fácil
  • Fuerza de sujeción de la cadena portacables de hasta 150 N
Reducción de costes

Reducción de costes

  • Ahorre tiempo y costes de instalación con un llenado de los cables sin herramientas gracias al diseño «easy»
  • Solicite la longitud deseada
  • Compra económica
Testado en el laboratorio de igus®

Testado en el laboratorio de igus®

  • Prueba de tracción de la cadena OCO.20 para cuantificar su fuerza de sujeción: los prototipos impresos se han sometido a pruebas de tracción con una fuerza de 420 N.
Ventaja ecológica

Ventaja ecológica

  • Libre de bisfenol A (sin BPA)
  • 100% libre de halógenos, especialmente adecuada para el uso en edificios públicos
  • Recicle sus cadenas portacables cuando hayan alcanzado el fin de su vida útil como parte del  programa de reciclaje chainge de igus.
    Independientemente del fabricante. Reciba un vale del  programa de reciclaje chainge
  • igus  apoya la economía circular de los plásticos  e invierte en el reciclaje químico

Cadena portacables para oficinas OCO.20


Así de simple:

La apertura está situada a un lado y no en el medio, de acuerdo con el principio fácil. Si instala los eslabones de forma alterna, las ranuras se escalonan, lo que asegura que los cables puedan insertarse fácilmente y no caigan.
Cadena portacables para oficinas OCO.20

 
Imanes instalados para una fijación fácil a los escritorios metálicos
Cadena portacables para oficinas OCO.20

 
También es posible una conexión atornillada

Información técnica

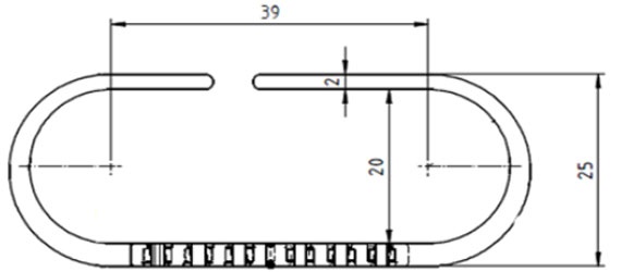
Cadena portacables para oficinas OCO.20 - Datos técnicos


ReferenciaAltura interiorAltura exteriorAnchura interiorAnchura exterior
OCO.2020 mm25 mm39 mm64 mm

Disponible bajo demanda
 
Envíe su consulta ahora

Productos similares

Cadena portacables para oficinas OCR

Cadena portacables para oficinas OCR

Clips de montaje magnéticos para una conexión intermedia y fijación fácil a la cadena
Cadena portacables para oficinas ZF14

Cadena portacables para oficinas ZF14

Los cables se insertan rápidamente. Cadena portacables con montaje rápido y con certificación UL94-V2
triflex R

Cadena portacables triflex R de 3 ejes

Diseño «easy» para un llenado fácil y rápido. Torsión de  10° aproximadamente por eslabón

Más información

Novedades 2020

Resumen de las novedades 2020 de las cadenas portacables e-chain®

Descubra más novedades 2020 de cadenas portacables para distintas aplicaciones aquí.
Catálogo de novedades 2020

Catálogo de novedades 2020

Encontrará toda la información sobre los nuevos productos y las ampliaciones de gama en el catálogo.
Cadenas portacables

Cadenas portacables

Aptos para diferentes entornos y espacios de instalación.  Amplia selección de productos que permite encontrar de inmediato la solución más apropiada. Con 36 meses de garantía.

Consultas

I would be happy to answer your questions personally

Consulta y envíos

En persona:

De lunes a viernes de 7:00 a 20:00
Sábados de 8:00 a 12:00

Online:

24h


Los términos "Apiro", "AutoChain", "CFRIP", "chainflex", "chainge", "chains for cranes", "ConProtect", "cradle-chain", "CTD", "drygear", "drylin", "dryspin", "dry-tech", "dryway", "easy chain", "e-chain", "e-chain systems", "e-ketten", "e-kettensysteme", "e-loop", "energy chain", "energy chain systems", "enjoyneering", "e-skin", "e-spool", "fixflex", "flizz", "i.Cee", "ibow", "igear", "iglidur", "igubal", "igumid", "igus", "igus improves what moves", "igus:bike", "igusGO", "igutex", "iguverse", "iguversum", "kineKIT", "kopla", "manus", "motion plastics", "motion polymers", "motionary", "plastics for longer life", "print2mold", "Rawbot", "RBTX", "readycable", "readychain", "ReBeL", "ReCyycle", "reguse", "robolink", "Rohbot", "savfe", "speedigus", "superwise", "take the dryway", "tribofilament", "tribotape", "triflex", "twisterchain", "when it moves, igus improves", "xirodur", "xiros" y "yes" son marcas comerciales legalmente protegidas de igus® SE & Co. KG en la República Federal de Alemania y otros países. Esta es una lista no exhaustiva de las marcas comerciales de igus SE & Co. KG o de empresas afiliadas de igus en Alemania, la Unión Europea, EE.UU. y/u otros países o jurisdicciones.

igus® SE & Co. KG puntualiza que no vende ningún producto de las empresas Allen Bradley, B&R, Baumüller, Beckhoff, Lahr, Control Techniques, Danaher Motion, ELAU, FAGOR, FANUC, Festo, Heidenhain, Jetter, Lenze, LinMot, LTi DRiVES, Mitsubishi, NUM, Parker, Bosch Rexroth, SEW, Siemens, Stöber y cualquier otro fabricante mencionado en esta página web. Los productos que ofrece igus® S.L.U. son los de igus® SE & Co. KG.