Por favor seleccione el país de entrega adecuado

Algunos factores como el precio de los productos, su disponibilidad u otros servicios pueden verse afectados por la selección del país de entrega.
My contact person
Vendortec Chile

Avda. Los Pajaritos 3195, Oficina 1410

Edificio Centro Maipú

Maipú – Santiago

+56 - 22 710 58 25
CL(ES)

Cadena offshore OSC

La cadena portacables más fuerte, reforzada y flexible

La cadena portacables offshore OSC de igus® resiste las condiciones más duras, en las que la seguridad, la larga vida útil y las condiciones meteorológicas adversas son criterios decisivos para la función del sistema. La cadena OSC combina las ventajas de una cadena portacables plástica con las de una cuerda de tracción de alta resistencia, que se guía en ambos laterales de la cadena. La cuerda de fibra plástica absorbe las fuerzas de tracción y la transmite a los terminales de montaje. La división interior puede adaptarse individualmente al proyecto y al conjunto de cables. La cadena portacables ofrece un radio de curvatura de 750 mm para los cables y tubos.
Solicitar cadena portacables offshore OSC

Mejora tecnológica

Mejora tecnológica

  • Sistema modular, fácil de abrir si es necesario
  • Todos los componentes pueden sustituirse individualmente 
  • La división interior puede adaptarse individualmente al proyecto y al conjunto de cables
  • Cables o tubos con un diámetro exterior máximo de hasta 80 mm o un radio de curvatura de hasta 750 mm
  • Resistente a la suciedad
Reducción de costes

Reducción de costes

  • Soluciones llave en mano (con conectores y/o carcasas de conectores incluyendo las pruebas eléctricas)
  • Posibilidad de integrar los sistemas de monitorización del estado i.Sense para planificar el mantenimiento y el funcionamiento a distancia
  • Con terminales que permiten una instalación rápida y fácil
  • Cadenas portacables con 36 meses de garantía
Testado en el laboratorio de igus®

Testado en el laboratorio de igus®

  • Carga permitida de la cuerda de fibra plástica: 187 kN
  • Doble protección atornillada de todos los componentes para un funcionamiento fiable
  • Protección contra los golpes gracias a una estructura exterior robusta hecha de PU
  • Plazo de entrega a partir de 10 semanas
Ventaja ecológica

Ventaja ecológica

  • Recicle su cadena portacables de forma gratuita a través del programa Chainge de igus
  • Más información sobre la contribución de igus a Plastic2Oil

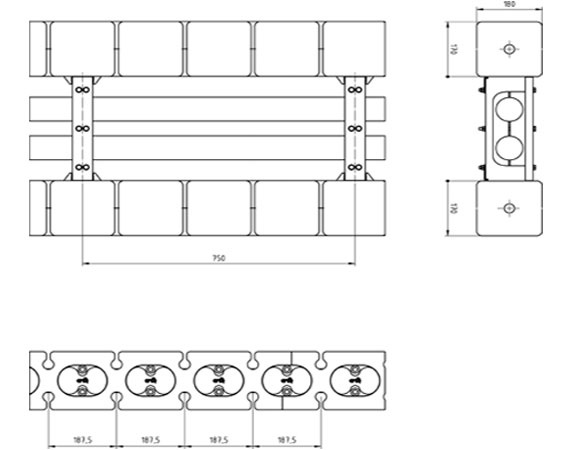
Estructura de la cadena portacables offshore OSC

Cadena portacables offshore OCS

Distribución interior

La división interior de la cadena portacables puede adaptarse individualmente al proyecto y al conjunto de cables/tubos utilizados. Los cables están dispuestos uno al lado del otro y separados entre sí por una pieza de PU en forma de peine. El bloque para la distribución interior se inserta en un marco de acero y se cierra desde arriba con tornillos y travesaños extensores.

Eslabones

Los eslabones de la cadena OSC están hechos de un material de espuma de poliuretano y, por lo tanto, son resistentes a los golpes. La cuerda plástica se desliza dentro de los eslabones de la cadena y se sujeta varias veces en cada eslabón de la cadena. Todas las piezas están atornilladas y pueden asegurarse con el doble seguro si es necesario.

Cuerda de fibra plástica

La cuerda de fibra plástica de alta resistencia absorbe cualquier fuerza de tracción que se produzca y la transmite a los terminales. Esto evita que la tracción llegue a los cables. La cuerda puede soportar fuerzas de tracción de hasta 187 kN.

Terminales

La cuerda de fibra plástica termina en los dos terminales de acero. El sistema para el alivio de tensión de los cables también se encuentra en este punto. El terminal puede atornillarse a la estructura del cliente mediante agujeros pasantes.

Gama de productos


Diámetro del cable Máx. 80 mm
Hi [mm]Máx. 80 mm
Ha [mm]180 mm
Paso (mm)187,5 / 750
Radio de curvatura [mm]750 mm
Peso [kg/m]40 kg/m
Fuerza de trabajo [kN]187 kN
 
Solicitar información para un proyecto

Los proyectos más emocionantes con la cadena offshore OSC

La cadena offshore OCS puede utilizarse en las siguientes industrias:


Preguntas y respuestas

¿Cómo puedo guiar energía de manera fiable y segura en aplicaciones en entornos duros? ¿Qué alternativas hay a los cables para equipos de perforación?
igus® ha desarrollado la cadena portacables offshore para poder guiar de manera segura los cables con secciones de conductor grandes y altas cargas en aplicaciones colgantes. Esta cadena portacables es la más fuerte y robusta de igus. Desarrollada para soportar grandes pesos de llenado o fuertes rachas de viento. Debido a las cuerdas de plástico instaladas dentro de los eslabones de la cadena, la cadena de portacables puede absorber cargas de tracción de hasta 187 kN.
 
¿Cómo absorbe las fuerzas la cadena OSC?
El nuevo sistema de suministro de energía de igus® está construido alrededor de una cuerda de plástico de alta resistencia que absorbe las fuerzas de tracción de los cables. La cuerda está compuesta de fibra de plástico sintética y, por ello, es irrompible, resistente a la intemperie, flexible y libre de corrosión. Esto permite a la cadena portacables absorber cargas de tracción de hasta 187 kN.
¿Es posible sustituir los cables en la cadena OSC?
La cadena portacables puede abrirse desde arriba aflojando los tornillos de los travesaños. Esto permite acceder a los cables e intercambiarlos según corresponda. Otra posibilidad es tirar de los cables a lo largo de la cadena.
 
¿Cómo entrega igus® la cadena OSC y cómo se instala?
La entrega de la cadena portacables OSC depende de la longitud de la cadena. Normalmente, la cadena OSC se suministra premontada, con el montaje final en la aplicación del cliente. Nuestro experimentado equipo estará encantado de ocuparse del montaje.
 
¿Cómo se evita que las piezas de la cadena se aflojen y caigan?
Todas las piezas de la cadena están atornilladas y aseguradas con arandelas de cuña. Si es necesario, estas uniones también pueden efectuarse con un pasador como un cierre de doble tornillo.

Quizá también le interese esto

Cables chainflex

Cables chainflex Cables a prueba de fallos con 4 años de garantía para aplicaciones en movimiento

Sistema completo readychain®

Cables chainflex ¡Todo desde un mismo proveedor! El tiempo de abastecimiento disminuye hasta un 95 %.

Planificación de proyectos

Planificación de proyectos Además de la gama de productos del catálogo, igus ofrece soluciones personalizadas para aplicaciones especiales


Los términos "Apiro", "AutoChain", "CFRIP", "chainflex", "chainge", "chains for cranes", "ConProtect", "cradle-chain", "CTD", "drygear", "drylin", "dryspin", "dry-tech", "dryway", "easy chain", "e-chain", "e-chain systems", "e-ketten", "e-kettensysteme", "e-loop", "energy chain", "energy chain systems", "enjoyneering", "e-skin", "e-spool", "fixflex", "flizz", "i.Cee", "ibow", "igear", "iglidur", "igubal", "igumid", "igus", "igus improves what moves", "igus:bike", "igusGO", "igutex", "iguverse", "iguversum", "kineKIT", "kopla", "manus", "motion plastics", "motion polymers", "motionary", "plastics for longer life", "print2mold", "Rawbot", "RBTX", "readycable", "readychain", "ReBeL", "ReCyycle", "reguse", "robolink", "Rohbot", "savfe", "speedigus", "superwise", "take the dryway", "tribofilament", "tribotape", "triflex", "twisterchain", "when it moves, igus improves", "xirodur", "xiros" y "yes" son marcas comerciales legalmente protegidas de igus® SE & Co. KG en la República Federal de Alemania y otros países. Esta es una lista no exhaustiva de las marcas comerciales de igus SE & Co. KG o de empresas afiliadas de igus en Alemania, la Unión Europea, EE.UU. y/u otros países o jurisdicciones.

igus® SE & Co. KG puntualiza que no vende ningún producto de las empresas Allen Bradley, B&R, Baumüller, Beckhoff, Lahr, Control Techniques, Danaher Motion, ELAU, FAGOR, FANUC, Festo, Heidenhain, Jetter, Lenze, LinMot, LTi DRiVES, Mitsubishi, NUM, Parker, Bosch Rexroth, SEW, Siemens, Stöber y cualquier otro fabricante mencionado en esta página web. Los productos que ofrece igus® S.L.U. son los de igus® SE & Co. KG.