Series 390

390.05.075.0 product image
igus-icon-lupe
390.05.075.0 technical drawing
igus-icon-lupe
1 de 2
390.05.075.0 product image
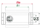
390.05.075.0 technical drawing
Altura [Hi]
Altura [Hi]
42 mm
Diámetro máx. del cable
Diámetro máx. del cable
38 mm
Sistema de apertura
Sistema de apertura
apertura por ambos lados
Anchura interior [Bi]
Anchura interior [Bi]
50 mm
Radio de curvatura [R]
Radio de curvatura [R]
75 mm
¿Qué le parece la página web de igus? Denos su opinión.

Sobre igus®

Servicios

Contacto

Nuestras formas de pago

  • Factura

    Síganos

      Manténgase informado de las últimas novedades de igus® con nuestra Newsletter.

      igus-icon-globeIdioma:Español|País:Chile

      Los términos "Apiro", "AutoChain", "CFRIP", "chainflex", "chainge", "chains for cranes", "ConProtect", "cradle-chain", "CTD", "drygear", "drylin", "dryspin", "dry-tech", "dryway", "easy chain", "e-chain", "e-chain systems", "e-ketten", "e-kettensysteme", "e-loop", "energy chain", "energy chain systems", "enjoyneering", "e-skin", "e-spool", "fixflex", "flizz", "i.Cee", "ibow", "igear", "iglidur", "igubal", "igumid", "igus", "igus improves what moves", "igus:bike", "igusGO", "igutex", "iguverse", "iguversum", "kineKIT", "kopla", "manus", "motion plastics", "motion polymers", "motionary", "plastics for longer life", "print2mold", "Rawbot", "RBTX", "readycable", "readychain", "ReBeL", "ReCyycle", "reguse", "robolink", "Rohbot", "savfe", "speedigus", "superwise", "take the dryway", "tribofilament", "tribotape", "triflex", "twisterchain", "when it moves, igus improves", "xirodur", "xiros" y "yes" son marcas comerciales legalmente protegidas de igus® SE & Co. KG en la República Federal de Alemania y otros países. Esta es una lista no exhaustiva de las marcas comerciales de igus SE & Co. KG o de empresas afiliadas de igus en Alemania, la Unión Europea, EE.UU. y/u otros países o jurisdicciones.

      igus® SE & Co. KG puntualiza que no vende ningún producto de las empresas Allen Bradley, B&R, Baumüller, Beckhoff, Lahr, Control Techniques, Danaher Motion, ELAU, FAGOR, FANUC, Festo, Heidenhain, Jetter, Lenze, LinMot, LTi DRiVES, Mitsubishi, NUM, Parker, Bosch Rexroth, SEW, Siemens, Stöber y cualquier otro fabricante mencionado en esta página web. Los productos que ofrece igus® S.L.U. son los de igus® SE & Co. KG.